
Drawing
NU-800 Leg Leveler Telescoping Base Stand Cut Sheet
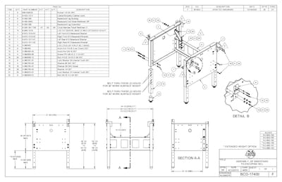
Product specification drawing for NU-800 telescoping base stand with leg levelers for NuAire class I containment ventilated enclosures.
Product specification drawing for NU-800 telescoping base stand with leg levelers for NuAire class I containment ventilated enclosures.